专注农业自动化服务
全国咨询热线:400 000 5553

0.8T 片冰机说明书

发布时间:2021-09-19 人气:3204

0


产品目录

一、安全注意事项

二、安装调试

三、工作原理

四、主要技术参数

五、使用及维护

六、示意图纸

一、安全注意事项

△ 使用前请认真阅读此说明说,以便正确使用。

△  请有专业资格的人或内行人士对冰机进行安装和检修。

△  切勿将手指、头发、衣物等接触风扇、冰刀等旋转部位。

△  切勿直接着摸机组高温铜管部位。

△  严禁操作人员带电维护机组高压带电部位。

△  建议操作人员佩带帽子,如为长发请将其盘起。

△ 请留意机组上的安全注意标志,以免给您带来不必要的麻烦。在产品上您将看到如下形式的安全注意事项:

“警告”栏内文字提醒您可能会有危险,请一定要仔细阅读内容后再小心进行

“注意”栏内文字提醒您可能会有损害制冰机的情况,请一定要仔细阅读内容后再小心进行

“重要”栏有两个作用:

1、告诉操作者注意重要信息

2、有效的技术服务信息,忽略这些说明可能会影响工作效率。


二、安装调试

1、  基本安装要求:

(1)、电源要求380V  、 三相四线  、 50HZ。

(2)、要求安装机组位置通风良好,避免潮湿。远离散热设备,避免太阳直射的地方,环境温度5℃-35℃为适合机组运行范围。

(3)、要求用户提供制冰机所必须的水源(为了使机组可靠安全的运行,建议水压方面在0.1Mpa~0.6Mpa为佳)。

2、  整机安装方法 :

片冰机组通常与储冰柜一起使用。用户开箱后只须将制冰机组放到储冰柜上,使制冰机组的落冰口和储冰柜顶的接冰口对准安放好并固定。

3、  系统水路的安装:

我们所提供的配件中有接水管和管箍,用户只需将水管接到水箱进水口管上然后用管箍卡紧即可,在水箱上面有进水口和溢流口的标识,溢流口主要作用是在水量过大的情况下          平衡水箱内的水位,及时导流,使多余的水不至于从水箱盖溢出。(可参照实际标识进行安装)。


片冰机的空间要求请参照图一


图一

4、  电路的连接 :

在连接电路时请先确认电源以连接到位。电源要求额定电压380V 允许最大偏差±10%的额定电压,确定制冰机所配置空开在下表范围内,在制冰机所提供的电源线上已明确标明火线与零线,请在安装时注意区分,正确接线。

空气开关的选择如下:

机组型号

空开选择(≥)

CFF-0.5T

10A

CFF-0.6T

10A

CFF-0.8T

16A

CFF---1T

16A

CFF-1.2T

25A

CFF-1.5T

25A

CFF---2T

32A

CFF-2.5T

32A

CFF---3T

32A

CFF---4T

50A

CFF---5T

63A

CFF---8T

83A

CFF---10T

101A

电缆购买参数如下:

CFF-0.5T ---- CFF-0.8T       2.5mm以上

CFF---1T ---- CFF-1.5T       4  mm以上

CFF---2T ---- CFF---5T       6  mm以上

5、 供水及排水:

供水要求安装水处理系统,以便防止水垢的形成,滤去沉渣以及除去漂白粉的气味,保证冰片的卫生。

(1)、安装使用指南:

a)   不要将制冰机和热水管直接连接,以免损坏塑胶管路零件,北方地区寒冷季节进水时需保温,以免供水管结冰。

b)   如果压力超过允许的最大压力(0.6Mpa),请用适当方法降低水压。

c)   用带密封的螺纹接头连接,防止滴水、漏水,同时检查手阀是否可以正常使用。

(2)、安装排管指南:

a)   排水管需有2.5CM的落差,且不能有存水管头

b)   地漏必须足够大以便排出所有排水

c)   排水管路出口必须留出气隙

(3)、供排水管的尺寸及其他参数:

制冰机组进水口水温≤35℃,0.1MPa ≤水压≤0.6Mpa,供水接口4分内管螺纹,排水接口6分内管螺纹。

所有型号的片冰机安装场合的选择及位置的选择必须符合以上条件,如有不符请重新选择,如强行置入,造成冰机故障,我公司不负责保修。

6、 运行:

操作流程

(1)、 第一次启动制冰机请按以下步骤:

a)   合上总电源的空气开关

b)   打开供水阀门,连接盐水管往制冰桶供水

c)   开机运行制冰机,启动以后:

请确定冰刀的方向是否正确,如不正确请立即检查调整电源相位,保证冰刀旋转正确。

(2)、运行后请按以下几项检查调试制冰机

a)   机器运行后,从观察孔观察蒸发器内分水盘的水位是否正确,如不正确请调节水泵上的阀门 ,分水盘内存水高过分水管5-10mm为最佳状态。

b)   机器运转2-5分钟后,观察蒸发器表面结冰层情况,冰刀切冰时是否有异常声响,结冰面的冰是否有90%的滑落。

c)  有油视镜的压缩机十分钟后观察压缩机油液高度,在看不到过     多泡沫时,液面应处于图示高度。

图二

d)   机器运转约二十分钟,检查除了有压缩机和切冰的异常声音之外是否还有其他异常。

1》、 机组制冷管路是否异常震动

2》、 压缩机是否松动,是否有异常声响

3》、 减速器、水泵是否有异常声响和震动

4》、 水箱盖是否松动、漏水

e)   后检查满冰控制器是否可以正常工作,水箱内的液位控制器是否正常工作

f)   盐水往制冰机供水系统中加适量的盐可以大大的改善制冰的质量,从而刮冰噪音更小,而且保护设备,耗费更少的电量。盐水泵可以自动的给制冰机供给盐水,但盐水桶内的盐水一定按比例配比,并且需要及时添加或更换。通常制造每吨冰需要加盐80-90克。


三、工作原理:

1、制冰机组

CFF系列片冰机采用高性能、低噪音的进口压缩机,小功率为风冷机组,大功率为水冷机组。

2、制冷剂循环

气态的制冷工质,通过压缩机的压缩改变为高温高压的液态工质,再通过冷凝器与外界换热,放出热量变为液态高压工质,通过节流装置(膨胀阀)降压降温为气液混合状态,混合状态的工质进入蒸发器(冰桶),吸收冰桶顶部喷淋下来水的热量,使水降温至冰点以下结冰,再回到压缩机再进入下一个制冷循环。(可参见图四)

图四

3、冰桶(蒸发器)

片冰机工作时通过制冷机的制冷循环,将喷淋到冰桶内壁的水冷却到冰点以下,在冰桶内壁形成冰层,再由连续旋转的冰刀切削而下,从而实现连续的制冰过程。


四、主要技术参数:

型号

CFF-0.5T

CFF-0.6T

CFF-0.8T

CFF-1T

CFF-1.2T

CFF-1.5T

CFF-2T

CFF-2.5T

制冰能力(kg/24h)

500

600

800

1000

1200

1500

2000

2500

储冰量(kg)

300

300

300

400

400

400

500

500

制冷量(kcal/h)

2300

2820

3760

4700

5640

7050

9400

11750

压缩机

美国谷轮/德国比泽尔

冷媒

R22/R404

总功率(kw)

2.6

3

3.75

4.3

6

7.5

8.7

9.6

运行电流(A)

7.9

8.8

10

12

14.5

18.5

21

24

片冰厚度(mm)

1.5-2.6

电源

三相380V/50HZ

冷却方式

风冷

给水管径

5/8″

5/8″

5/8″

5/8″

5/8″

5/8″

5/8″

5/8″

落冰口径(mm)

360

360

460

460

460

460

460

460

重量(kg)

225

245

310

380

400

410

450

480

长(mm)

1270

1270

1270

1320

1320

1320

1510

1700

宽(mm)

1030

1030

1030

1280

1280

1280

1400

1400

高(mm)

1850

1850

2100

2200

2250

2250

2640

2740

注:重量不含冰库数据,

以上制冰参数是基于环境温度25℃,系统进水温度18℃下的运行数据。因技术日新月异、产品设计的改进,说明书的变更,恕不另行通知。

工作环境所需的主要条件:

环境温度                    5℃  ≤ 环境温度  ≤35℃

水温                        2℃  ≤    水温   ≤30℃

水压                        1bar(0.1MPa) ≤ 水压 ≤ 6bar(0.6MPa)

额定电压偏差                -10%  ≤  额定电压偏差  ≤ +10%

超出以上条件范围,制冰机将不能正常工作!

注:日产冰量直接与环境温度和水温相关,温度愈高,则产冰量愈小。

五、使用及维护

维护

按照本手册的说明对制冰机进行保养是用户的责任。机组保养不包含在售后服务范围内。

1、 维护操作步骤:

机械设备良好的维护和保养对设备的使用性能和使用寿命起关键的作用。制冰机设备应该有专门的人员维护管理,客户应重视维护人员变动后新人员的培训工作,保证制冰机的操作、维护、保养良好进行,避免人为误操作造成事故和损失。

日常维护主要有以下几项:

a)   机组的外观卫生清洁。如蒸发器、压缩机、冷凝器的清洁,特别是风冷式冷凝器的清洁,过多的积尘极易阻塞吸气散热片,造成冷凝器故障。

b)   时常清洁水箱内部及分水盘内、蒸发器内的水垢,这对生产的片冰卫生十分关键。

c)   检查分水盘的水管是否分水通畅,及时清洗。

d)   检查减速机固定螺栓是否松动。

e)   请平均每两个月用柔软的布料清洗蒸发器内壁、分水盘、水箱,盐水泵,盐水箱每15天清洗一次

f)  风冷冷凝器一个月清洗一次

2、 保养及清洗注意事项:

彻底的清洗保养必须有我公司的维修人员或经过培训的人员才能进行。拆除制冰机时,请将各个零件放好,依据图纸拆装、调试。清洗过程应注意清空冰柜内的冰片,避免清洗剂的污染。清洗具体步骤如下:

a)   切断电源

b)   准备容器用来配制清洗剂,购买PR61灭藻液用水配制

c)   将清洗剂缓缓的倒入水箱内,同时关闭进水管的供水阀

d)   切断压缩机电源,让机组运行约10分钟左右,切断总电源

e)   放掉污水,打开供水阀进水后,再接上电源用清水清洗5分钟,换掉污水

f)   将消毒剂倒入水箱,运行约5分钟,换掉消毒剂

g)   最后用清水冲洗干净,水箱盖封好.

六、示意图纸

附表1

制冰机常见故障及排除方法

故障

原因

处理方法

按下制冰机运行开关按钮,减速器启动,等30秒后压缩机启动,运行指示灯亮。(一分钟后制冰机没有启动)

外接电源无电

检查是否断电

空气开关跳闸

请用户检查所提供的电源是否正常

是否按设备的要求配置电源开关

启动开关失效

更换开关按钮

停止开关已关闭

向右旋动,让开关复位

控制电源的保险管烧毁

关闭电源并更换保险管

PLC的P00点无信号输入

压缩机高压故障

检查冷凝风机及清洗冷凝器

PLC的P01点无信号输入

压缩机低压故障

检查冰桶内部是否进水正常,掉冰是否正常

检查系统是否有泄漏点存在

PLC的P02点无信号输入

压缩机内冷冻机油故障

观察曲轴箱油视镜是否缺油

停止使用并及时联系我们或联系当地经销商

PLC的P03点无信号输入

供水系统故障

检查供水系统是否正常工作,水箱内水量是否充足

检查水位开关是否良好,否则更换

PLC的P04点无信号输入

进电源故障

检查电源是否缺相,或相序反了,及其它接线柱是否良好

PLC的P05点无信号输入

压缩机过载,保护模块故障

检测压缩机运行电流以及过热保护器电流设定值和复位键,如为保护模块故障请及时联系我们

PLC的P06点无信号输入

减速器过载

检测减速器和补水泵的运行电流以及热保护器电流的设定值和复位键,检查减速器和补水泵是否接地

PLC的P07点无信号输入

冷却水泵或冷却风扇过载

检查冷却水泵或冷却风扇运行电流以及热保护器电流的设定值和复位键,检查水泵和冷却风扇是否接地

PLC的P09点无信号输入

红外线感应开关损坏

更换红外线感应开关

说明:PLC有信号输入点指示灯亮,无信号输入点不亮。

运行噪音大,且冰片碎而不透明

盐水浓度不合适

调节盐水泵流量按钮,边运行边观察,直到冰片质量达到满意为止

检查盐水补给泵是否正常工作,是否有盐水进入水箱

盐水管路堵塞,或者没有吸上盐水

更换盐水泵

制冰机正常运转但不结冰

制冷系统故障

及时跟我们联系,并有我们派人进行检查维修

制冰机结冰面的冰难以滑落

制冰机故障

制冷剂泄漏

膨胀阀调节不当

重新适当调节

盐水浓度过大

重新适当调节

冰刀位置偏移或者磨损

调整或者更换冰刀

轴承异常或磨损

更换轴承

启动后制冰机结冰面结冰但无冰片滑落或冰刀不转

冰刀位置偏移或者磨损

调整或者更换冰刀

减速器故障

检查电机和减速箱,如已烧坏需要及时更换

轴承异常或磨损

更换轴承

电控系统故障

需要及时通知我们,我们会派出相关人员进行检查修理

关机漏水

储冰柜放置不平衡

调整储冰柜四脚使柜体水平

水箱内部水位过高或浮球阀失灵

调整浮球阀使水位降低,若失灵则需要更换

开机漏水

分水盘出现脏堵

检查分水盘分水管是否堵塞,及时进行疏通

分水盘水位过高

调节冰桶供水阀,使水位保持在10MM左右

冰桶内部回水槽脏堵,水流不畅

停机清理回水槽及内部污垢

温馨提示:

为了更好的使用制冰机,使它更好的为您服务,请按以下三点保养您的设备:

1、平均两个月清洗蒸发器(冰桶)内壁一次。以及分水盘、水箱、水泵、盐水泵和盐水桶15天各清洗一次

2、减速器齿轮油每年更换一次

3、风冷式冷凝器每一个月清洗一次,水冷式冷凝器冷却塔三个月清洗一次

售后服务:0769-85231855                 技术支持: 0769-85231855

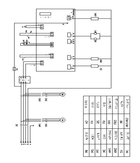
附表2

电器控制箱内部示意图

说明:

L1

主电源进线

A1

主电源线

B1

减速器电源线

W1

压缩机电源线

F1

红外线开关接线

L2

A2

B2

W2

F2

L3

A3

B3

W3

F3

N

零线

E1

水泵线

E2

盐水泵线

E3

回油电磁阀线

PE

接地线

D1

减速器过载保护线

D3

压缩机过载保护线

D5

低压保护器接线

D7

高压保护器接线

D9

水位开关接线

D2

D4

D6

D8

D10

附表3

制冰机主要零部件图

附表4

电器原理图

在线客服
联系方式

热线电话

上班时间

周一到周六

公司电话

400 000 5553

二维码
线